產品展示
加藥裝置係列
TBAD三腔式自動加藥裝置
發布時間:2018-07-02 點擊次數:5521 次

概述
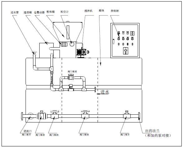
TBAD三腔式自動加藥裝置是一個自動、連續式的絮凝劑溶配裝置,配製溶液範圍為0-5000升/時,濃度為0.1%-0.3%。
幹粉絮凝劑從螺旋推進器內進入速溶器內與清水進行預混,被濕潤的物料進入配製槽進行攪拌稀釋,按要求濃度進行配製;配製過程中,進水量在流量計觀測下必須相對穩定,從而保證在整個工作工程中,配製溶液濃度不變。
配製溶液從配製槽經熟化槽再進入儲存槽,當儲存槽液位處於高位時,配置過程自動停止,加藥液過程繼續,當溶液下降到中液位時,重新自動啟動配料過程。配製槽和熟化槽均設置攪拌器,充分保證絮凝劑的稀釋和熟化。另外,儲存槽溶液不足時會觸及下液位報警係統,所有係統均停止並報警。本裝置是由具有自動化程度高、性能穩定、工作可靠、操作簡單等特點。
產品特點
1、自動化程度高、操作簡單方便;
2、係統穩定可靠,有故障時相關設備會自動按要求停止,同時發出報警信號;
3、采用螺旋給料器投加粉體,可手動調速,保證投料均勻、分散、精度高;
4、在規定的生產量及連續投液條件下,其配置濃度為0.1%-0.5%;
5、幹粉不足、藥液不足時均能發出報警信號;
6、采用微型振動馬達防幹粉倉內架橋;
7、預混器加速粉料的水化作用。
設備配置說明
外形示意圖
TBAD三腔式自動加藥裝置是一個自動、連續式的絮凝劑溶配裝置,配製溶液範圍為0-5000升/時,濃度為0.1%-0.3%。
幹粉絮凝劑從螺旋推進器內進入速溶器內與清水進行預混,被濕潤的物料進入配製槽進行攪拌稀釋,按要求濃度進行配製;配製過程中,進水量在流量計觀測下必須相對穩定,從而保證在整個工作工程中,配製溶液濃度不變。
配製溶液從配製槽經熟化槽再進入儲存槽,當儲存槽液位處於高位時,配置過程自動停止,加藥液過程繼續,當溶液下降到中液位時,重新自動啟動配料過程。配製槽和熟化槽均設置攪拌器,充分保證絮凝劑的稀釋和熟化。另外,儲存槽溶液不足時會觸及下液位報警係統,所有係統均停止並報警。本裝置是由具有自動化程度高、性能穩定、工作可靠、操作簡單等特點。
產品特點
1、自動化程度高、操作簡單方便;
2、係統穩定可靠,有故障時相關設備會自動按要求停止,同時發出報警信號;
3、采用螺旋給料器投加粉體,可手動調速,保證投料均勻、分散、精度高;
4、在規定的生產量及連續投液條件下,其配置濃度為0.1%-0.5%;
5、幹粉不足、藥液不足時均能發出報警信號;
6、采用微型振動馬達防幹粉倉內架橋;
7、預混器加速粉料的水化作用。
設備配置說明
| 標準配置 | 9、進水流量計(管式) |
| 1、三腔式預調、熟化、成藥箱體 | 10、進水電磁閥 |
| 2、幹粉投加箱 | 11、管閥件組合 |
| 3、幹粉速溶裝置 | 12、控製箱子(本地控製含遠程控製接口) |
| 4、手調式幹粉加藥器 | 可選配置 |
| 5、幹粉倉振動器 | 1、藥粉加熱裝置 |
| 6、幹粉斷料報警器 | 2、進水電磁流量計 |
| 7、混合攪拌機 | 3、高濃度液態稀釋係統 |
| 8、成藥液位控製器 | 4、藥液投加泵 |

技術參數表
| 型號 | 泡藥量 (L/H) | 箱體有效總體積 (m3) | 總功率 (kw) |
| TBAD1000 | 1000 | 1.5 | 2 |
| TBAD 1500 | 1500 | 2 | 2.8 |
| TBAD 2000 | 2000 | 2.5 | 2.8 |
| TBAD 2500 | 2500 | 3 | 3.85 |
| TBAD 3000 | 3000 | 3.5 | 3.85 |
| TBAD 3500 | 3500 | 4 | 3.85 |
| TBAD 4000 | 4000 | 4.5 | 5.05 |
相關產品


掃一掃
蘇公網安備32028202232133號